JANTX1N5772低電容二極管陣列 10引腳陶瓷封裝Microsemi
發布時間:2024-11-19 13:53:23 瀏覽:1839
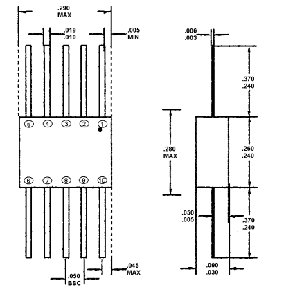
1N5772是一款低電容二極管陣列,由多個獨立的隔離結組成,通過平面工藝制造,并封裝在10引腳的陶瓷扁平封裝中。這些二極管用作轉向二極管,保護多達八個I/O端口免受ESD(靜電放電)、EFT(電快速瞬變)或浪涌的影響,通過將它們導向正電源線和地線。可以添加外部TVS二極管以防止電源軌上的過電壓。它們也可用于快速開關核心驅動器應用,包括計算機和外圍設備,如磁芯、薄膜存儲器、鍍線存儲器等,以及解碼或編碼應用。這些陣列提供了集成電路的許多優勢,如高密度封裝和提高的可靠性。


特性與應用:
密封陶瓷封裝。
隔離二極管消除串擾電壓。
高擊穿電壓VBR > 60V(10μA)。
低漏電流IR < 100nA(40V)。
低電容C < 8.0pF。
提供符合MIL-PRF19500/474標準的JAN、JANTX、JANTXV和JANS篩選選項,通過在零件號前分別添加MQ、MX、MV或MSP前綴來指定。例如,MX1N5772表示JANTX篩選。
適用于高頻數據線、RS-232 & RS-422接口網絡、以太網10 Base T、計算機I/O端口、局域網、開關核心驅動器等。
符合IEC 61000-4兼容性標準。
最大額定值(機械和包裝):
反向擊穿電壓:60Vdc。
連續前向電流:300mA dc。
峰值浪涌電流(tp=1/120s):500mA dc。
每個結在25°C時的功率耗散:400mW。
每個封裝在25°C時的功率耗散:500mW。
工作結溫范圍:-65至+150°C。
存儲溫度范圍:-65至+200°C。
重量:約0.25克。
電氣特性(每個二極管):
最大前向電壓VF1:在100mA時測量。
最大前向電壓VF2:在500mA時測量。
最大反向電流IR1:在40V時測量。
最大電容(引腳到引腳)Ct:在0V和1MHz頻率下測量。
最大前向恢復時間tfr:在500mA時測量。
最大反向恢復時間trr:在200mA時測量。
Microsemi 是美國高可靠性電子元器件廠商,其軍級二三級管產品,被廣泛應用于全球高端市場,深圳市立維創展科技有限公司,授權代理銷售Microsemi軍級二三級產品,大量原裝現貨,歡迎咨詢。
推薦資訊
Arizona Capacitors是ETI旗下專注于工業和軍用標準薄膜電容器的制造商,通過ISO 9001:2015和MIL-STD-790認證,產品涵蓋金屬管狀/矩形、酚醛管材及玻璃管電容器四大類型,具備自愈特性、耐高溫(-55°C至125°C)及高電壓(3kVDC-150kVDC)能力。其技術指標如2μF電容值和低損耗因子(<0.6%)領先行業,與Vishay、TDK等國際巨頭競爭,尤其在航空航天和軍事領域占據重要市場地位。
Microsemi 1N5195是符合MIL-PRF-19500/118標準的軍用級開關二極管,認證等級有JAN、JANTX、JANTXV 。其最大額定值(@25°C)包括工作和存儲溫度均為 -65°C至 +175°C,浪涌電流(正弦波,8.3毫秒)2A,總功率耗散500mW,最大工作電流200mA,直流反向工作電壓180V。設計數據方面,采用符合MIL-PRF19500/118 DO-35輪廓的密封玻璃封裝,引線材料為銅包鋼,表面處理是錫/鉛,熱阻抗最大70°C/W,極性為帶環的陰極端。
在線留言
主站蜘蛛池模板: | | | | | | | | | | | | | | | | | | | | | | | | | | | | | | | | | | | | | | | |