JAN1N5195US軍用級開關二極管Microsemi
發布時間:2025-01-22 08:47:23 瀏覽:1619

1N5195是一款符合MIL-PRF-19500/118標準的軍用級開關二極管,以下是一些關鍵特性和參數:
設備型號:1N5195
認證等級:JAN, JANTX, JANTXV
最大額定值@25°C:
工作溫度:-65°C至+175°C
存儲溫度:-65°C至+175°C
浪涌電流(正弦波,8.3毫秒):2A
總功率耗散,25°C:500mW
最大工作電流,25°C:200mA
直流反向工作電壓(VRWM):180V
設計數據:
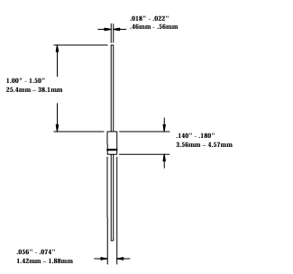
外殼:根據MIL-PRF19500/118 DO-35輪廓的密封玻璃封裝。
引線材料:銅包鋼。
引線表面處理:錫/鉛。
熱阻抗(ZθJX):最大70°C/W。
極性:帶環的陰極端。
Microsemi 是美國高可靠性電子元器件廠商,其軍級二三級管產品,被廣泛應用于全球高端市場,深圳市立維創展科技有限公司,授權代理銷售Microsemi軍級二三級產品,大量原裝現貨,歡迎咨詢。
推薦資訊
Rogers?的TC600?層壓板是通過導熱材料陶瓷填料和提高玻璃纖維布構成的PTFE復合材質。
Alaska?88E1510/88E1518/88E1512/88E1514IC是個mac層IC,包括一個10/100/1000千兆以太網收發器。收發器完成1000BASE-T、100BASE-TX和10BASE-T標準化的以太網mac層部分。88E1514-A0-NNP2C000?使用規范數字化CMOS工藝技術,包括完成mac層性能所需要的所有的有源電路,通過在標準規定CAT5非屏蔽雙絞線上傳輸和傳輸數據。
在線留言