882-032 90° PC板安裝插頭:Glenair高速超小型連接器
發布時間:2024-12-26 09:06:59 瀏覽:1192
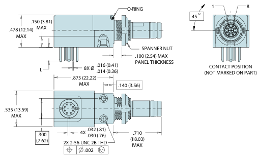
Glenair 882-032是一款專為惡劣環境設計的高速超小型連接器,適用于10GbE以太網應用。這款連接器以其緊湊的設計、卓越的性能和耐用性,滿足了現代高速數據傳輸的需求。與 882-002、882-005、882-008 和 882-038 配接。
核心特性
高速數據傳輸:支持10GbE。
超小型設計:最小的10Gb以太網航空級連接器。
環境適應性:具備EMI保護、防水和抗沖擊振動能力。
簡易安裝:支持夾緊式后面板安裝。
耐用性:設計有2000次配對周期。
防護等級:達到IP67。
技術規格
工作溫度范圍:-65°C至+175°C。
阻抗:100歐姆。
介電電壓:100 Vrms未配對。
電流額定值:1.5 A。
絕緣電阻:至少100 MΩ @ 150 Vdc。
耐用性:2000次配對周期。
訂購指南:

尺寸:

Glenair連接器是全球知名的高端品牌,廣泛應用于航天航空、軍用、艦載、精密制造等場合。深圳市立維創展科技有限公司,授權代理銷售Glenair產品,并提供技術支持。歡迎咨詢。
推薦資訊
Fischer Connectors 生產的 103325 SF 104 A055 - 130 型號連接器,產品編號為 103325,屬 Core Series 產品線,系列尺寸 104,為前凸式插頭,外殼是灰色黃銅材質,接觸端接方式為焊接,公頭且無鎖定系統,采用面板前裝。其密封性能達 IP50,工作溫度范圍 -65 °C 至 250 °C,鹽霧測試 1000 小時(5%鹽溶液、35°C),耐久性 10000 次插拔,具備良好的振動和沖擊抗性。適用于航空航天、軍事設備、工業自動化等需高可靠性、耐極端溫度和耐腐蝕的場景,能以混合低壓接觸配置和較大電流容量滿足多種電氣連接需求,若需更詳細技術支持或定制化選項可聯系深圳立維創展科技 ldteq.com。
光纖電纜是一種利用光信號高速遠距離傳輸數據的通信介質,由玻璃纖維核心、包層及保護結構組成,分為多模光纖(短距離應用)和單模光纖(長距離大容量傳輸)。其優勢包括近光速傳輸、抗電磁干擾、高帶寬及耐用性(無明確壽命限制),廣泛應用于電信、物聯網及極端環境(如航空航天)。安裝需專業測試,溫度需控制在安全范圍內。全球供應商如OFS提供多樣化光纖產品,覆蓋醫療、國防等領域。
在線留言
主站蜘蛛池模板: | | | | | | | | | | | | | | | | | | | | | | | | | | | | | | | | | | | | | | | |