JANTX1N6101低電容二極管陣列Microsemi
發布時間:2024-11-21 09:56:12 瀏覽:1629
1N6101是一款低電容二極管陣列,由多個獨立的隔離結構成,采用平面工藝制造,并封裝在16引腳的DIP(雙列直插式封裝)中。這些二極管用于保護多達八個I/O端口免受ESD(靜電放電)、EFT(電快速瞬變)或浪涌的影響,通過將它們導向電源線的正極或接地。可以在外接TVS(瞬態電壓抑制)二極管以防止電源線上的過電壓。此外,它們也可用于快速開關核心驅動器應用,包括計算機和外圍設備,如磁芯、薄膜存儲器、鍍線存儲器等,以及解碼或編碼應用。這些陣列提供了集成電路的許多優勢,如高密度封裝和提高的可靠性,這是由于減少的放置操作、更小的占用空間、更輕的重量以及消除了各種可能不利于PCB安裝的離散封裝。

特點:
密封陶瓷封裝
隔離二極管以消除串擾電壓
高擊穿電壓VBR > 75V在5μA時
低漏電流IR < 100nA在40V時
低電容C < 4.0pF
開關速度小于10納秒
根據MIL-PRF-19500/474提供JAN、JANTX、JANTXV等篩選選項
應用/優點:
高頻數據線
RS-232和RS-422接口網絡
以太網:10 Base T
計算機I/O端口
局域網(LAN)
開關核心驅動器
最大額定值:
反向擊穿電壓:75V
連續正向電流:300mA直流電
峰值浪涌電流(tp=1/120秒):500mA直流電
每個結點400mW功率耗散@25°C
每個封裝600mW功率耗散@25°C
工作結溫范圍:-65°C至+150°C
存儲溫度范圍:-65°C至+200°C
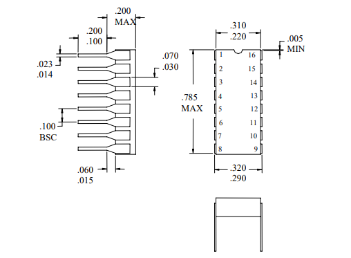
機械和封裝:
16引腳陶瓷DIP
重量:約2.09克
標記:標志、零件編號、日期代碼
引腳#1位于封裝頂部凹槽左側
電氣特性(每個二極管)@25°C,除非另有說明:
最大正向電壓VF1:100mA時
最大反向電流IR1:40V時
最大反向電流IR2:20V時
最大電容(引腳到引腳)Ct:0V時,1MHz頻率下
最大正向恢復時間tfr:100mA時
最大反向恢復時間trr:10mA直流電時,1mA直流電時,RL=100歐姆

Microsemi 是美國高可靠性電子元器件廠商,其軍級二三級管產品,被廣泛應用于全球高端市場,深圳市立維創展科技有限公司,授權代理銷售Microsemi軍級二三級產品,大量原裝現貨,歡迎咨詢。
推薦資訊
CPU核心的數量正在增加。為了實現數據中心的持續計算性能改進,需要使用MICRON ?DDR5的性能優勢來維護每個CPU內核的可用帶寬。MICRON DDR5及其額外的計算將有助于從當今世界產生的爆炸性數據中提取價值和洞察力。
Princeton Microwave Technology的PMTA-0618-40-1.8低噪聲放大器是一款頻率范圍為6至18 GHz的高性能設備,提供高達40 dB的小信號增益和低至1.8 dB的噪聲系數,適用于通信、雷達、衛星等高要求系統。其特點包括50 Ohm匹配、內部電壓調節、無條件穩定性和密封模塊設計,確保在惡劣環境中的可靠性和卓越表現。
在線留言
主站蜘蛛池模板: | | | | | | | | | | | | | | | | | | | | | | | | | | | | | | | | | | | | | | | |