Glenair MWDM2L-15PBRR3T-.110-513直角通孔印刷電路板連接器
發布時間:2024-11-04 10:03:13 瀏覽:1176

Glenair Micro-D MWDM-BR 型直角通孔印刷電路板連接器,其主要特點和技術規格如下:
產品特點:
1. 高性能:連接器采用鍍金的 TwistPin 觸點,保證最佳的電氣性能。PCB 焊腳直徑為 0.020 英寸(0.51 mm),建議采用鎳鍍層或陽極殼體以獲得最佳使用效果。
2. 焊接:端子已涂錫(Sn60/Pb40),便于焊接;符合 RoHS 要求的鍍金端子也可選。
3. 背面安裝:可通過面板安裝,最大厚度可達 0.125 英寸(3.18 mm)。如需背面面板安裝插座,可進行定制。
訂購指南:

系列:MWDM Glenair Micro-D 系列
外殼材料和表面處理:提供鋁合金和不銹鋼兩種外殼,表面處理可選鎘、黑色陽極、鍍金等。
絕緣材料:LCP 或 PPS 材料,具有較高的耐熱性。
接觸類型:焊接型(BR 型 - 板端直角)
端接選項:提供不同的面板安裝插座選擇,包括標準插座、背面面板安裝插座等。
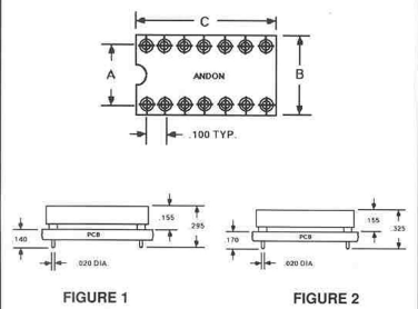
產品尺寸:
- 提供多種布局,從 9P 到 1005P(引腳數)。
- 尺寸詳細信息如圖所示,包括接觸間距、安裝孔直徑和其他關鍵尺寸參數。

性能規格:
額定電流:3A
絕緣電阻:5000 MΩ(在海平面)
接觸電阻:8 MΩ以下
操作溫度:-55°C 到 +150°C
振動和沖擊:設計可承受 50g 沖擊和 20g 振動
材料和表面處理:
外殼:鋁或不銹鋼
絕緣子:LCP 或 PPS
插針:銅合金,鍍金或鍍鎳處理
這款產品適用于需要高性能、小型化且具有良好環境適應能力的電路板連接場景,尤其在航空航天和高可靠性電子設備中有廣泛應用。Glenair連接器是全球知名的高端品牌,廣泛應用于航天航空、軍用、艦載、精密制造等場合。深圳市立維創展科技有限公司,授權代理銷售Glenair產品,并提供技術支持。歡迎咨詢。
推薦資訊
DIGISENSOR在全世界擁有超出230億臺聯網物聯網設備,還將在智慧城市、城市交通、醫療運營、智能農業和工業環境的應用程序之間傳輸超出430tb的數據通訊,使DIGISENSOR能夠得到實時有效信息。在最嚴苛的環境中運行的設備和設備取決于Digi的物聯網解決方案。
Hypertronics?提供具備極高額定功率的CVD鉆石衰減器系列產品。這類衰減器可適用于DC-26.5GHz的應用領域,極其適用于需要大功率工作能力、頻率響應范圍寬、體型小質量輕的應用領域。Hypertronics射頻元器件 CVD鉆石衰減器選擇全薄膜結構生產制造而成,其鍍金的焊盤能夠滿足金絲鍵合的規定要求,也能夠選擇表面焊接安裝使用。后綴帶“T”的產品帶有鍍金層的引線,便于安裝使用。后綴帶“FT”的產品,帶有引線和集成式散熱器,便于安裝使用。
在線留言
主站蜘蛛池模板: | | | | | | | | | | | | | | | | | | | | | | | | | | | | | | | | | | | | | | | |