XCL210系列降壓型微型DC/DC轉換器Torex
發布時間:2024-11-04 09:23:38 瀏覽:1216
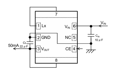
Torex XCL210系列是一款集成電感器與控制IC的同步降壓型微型DC/DC轉換器。它具有微型封裝(2.0mm × 2.5mm × 1.0mm),這種微型封裝使得它在空間受限的應用場景中具有很大優勢。內置電感簡化了電路設計,減少了噪聲以及其他相關電路問題。

特點:
輸入電壓范圍:2.0V~6.0V
輸出電壓:1.0V~4.0V(±2.0%)
控制方式:PFM控制
輸出電流:200mA(TypeA/C);50mA(Type B/D)
消耗電流:0.5μA
效率:93%(VIN=3.6V,VOUT=3.0V/100μA)
功能:UVLO、短路保護、CL自動放電(XCL210C,XCL210D)
輸出電容:陶瓷電容
工作溫度范圍:-40℃~+85℃
適應環保要求:與EU RoHS規格對應、無鉛
應用場景:
適用于穿戴設備、智能電表、藍牙單元、能量收集設備、備份電源電路、便攜式游戲機、單鋰電池供電設備等低功耗、空間受限的設備。
型號:
| XCL210A101GR-G | XCL210D171GR-G | XCL210B291GR-G | XCL210A3H1GR-G | XCL210C2H1GR-G |
| XCL210A111GR-G | XCL210D181GR-G | XCL210B301GR-G | XCL210A3K1GR-G | XCL210C2K1GR-G |
| XCL210A121GR-G | XCL210D191GR-G | XCL210B311GR-G | XCL210A3L1GR-G | XCL210C2L1GR-G |
| XCL210A131GR-G | XCL210D201GR-G | XCL210B321GR-G | XCL210A3M1GR-G | XCL210C2M1GR-G |
| XCL210A141GR-G | XCL210D211GR-G | XCL210B331GR-G | XCL210B1A1GR-G | XCL210C3A1GR-G |
| XCL210A151GR-G | XCL210D221GR-G | XCL210B341GR-G | XCL210B1B1GR-G | XCL210C3B1GR-G |
| XCL210A161GR-G | XCL210D231GR-G | XCL210B351GR-G | XCL210B1C1GR-G | XCL210C3C1GR-G |
| XCL210A171GR-G | XCL210D241GR-G | XCL210B361GR-G | XCL210B1D1GR-G | XCL210C3D1GR-G |
| XCL210A181GR-G | XCL210D251GR-G | XCL210B371GR-G | XCL210B1E1GR-G | XCL210C3E1GR-G |
| XCL210A191GR-G | XCL210D261GR-G | XCL210B381GR-G | XCL210B1F1GR-G | XCL210C3F1GR-G |
| XCL210A201GR-G | XCL210D271GR-G | XCL210B391GR-G | XCL210B1H1GR-G | XCL210C3H1GR-G |
| XCL210A211GR-G | XCL210D281GR-G | XCL210B401GR-G | XCL210B1K1GR-G | XCL210C3K1GR-G |
| XCL210A221GR-G | XCL210D291GR-G | XCL210C101GR-G | XCL210B1L1GR-G | XCL210C3L1GR-G |
| XCL210A231GR-G | XCL210D301GR-G | XCL210C111GR-G | XCL210B1M1GR-G | XCL210C3M1GR-G |
| XCL210A241GR-G | XCL210D311GR-G | XCL210C121GR-G | XCL210B2A1GR-G | XCL210D1A1GR-G |
| XCL210A251GR-G | XCL210D321GR-G | XCL210C131GR-G | XCL210B2B1GR-G | XCL210D1B1GR-G |
| XCL210A261GR-G | XCL210D331GR-G | XCL210C141GR-G | XCL210B2C1GR-G | XCL210D1C1GR-G |
| XCL210A271GR-G | XCL210D341GR-G | XCL210C151GR-G | XCL210B2D1GR-G | XCL210D1D1GR-G |
| XCL210A281GR-G | XCL210D351GR-G | XCL210C161GR-G | XCL210B2E1GR-G | XCL210D1E1GR-G |
| XCL210A291GR-G | XCL210D361GR-G | XCL210C171GR-G | XCL210B2F1GR-G | XCL210D1F1GR-G |
| XCL210A301GR-G | XCL210D371GR-G | XCL210C181GR-G | XCL210B2H1GR-G | XCL210D1H1GR-G |
| XCL210A311GR-G | XCL210D381GR-G | XCL210C191GR-G | XCL210B2K1GR-G | XCL210D1K1GR-G |
| XCL210A321GR-G | XCL210D391GR-G | XCL210C201GR-G | XCL210B2L1GR-G | XCL210D1L1GR-G |
| XCL210A331GR-G | XCL210D401GR-G | XCL210C211GR-G | XCL210B2M1GR-G | XCL210D1M1GR-G |
| XCL210A341GR-G | XCL210A1A1GR-G | XCL210C221GR-G | XCL210B3A1GR-G | XCL210D2A1GR-G |
| XCL210A351GR-G | XCL210A1B1GR-G | XCL210C231GR-G | XCL210B3B1GR-G | XCL210D2B1GR-G |
| XCL210A361GR-G | XCL210A1C1GR-G | XCL210C241GR-G | XCL210B3C1GR-G | XCL210D2C1GR-G |
| XCL210A371GR-G | XCL210A1D1GR-G | XCL210C251GR-G | XCL210B3D1GR-G | XCL210D2D1GR-G |
| XCL210A381GR-G | XCL210A1E1GR-G | XCL210C261GR-G | XCL210B3E1GR-G | XCL210D2E1GR-G |
| XCL210A391GR-G | XCL210A1F1GR-G | XCL210C271GR-G | XCL210B3F1GR-G | XCL210D2F1GR-G |
| XCL210A401GR-G | XCL210A1H1GR-G | XCL210C281GR-G | XCL210B3H1GR-G | XCL210D2H1GR-G |
| XCL210B101GR-G | XCL210A1K1GR-G | XCL210C291GR-G | XCL210B3K1GR-G | XCL210D2K1GR-G |
| XCL210B111GR-G | XCL210A1L1GR-G | XCL210C301GR-G | XCL210B3L1GR-G | XCL210D2L1GR-G |
| XCL210B121GR-G | XCL210A1M1GR-G | XCL210C311GR-G | XCL210B3M1GR-G | XCL210D2M1GR-G |
| XCL210B131GR-G | XCL210A2A1GR-G | XCL210C321GR-G | XCL210C1A1GR-G | XCL210D3A1GR-G |
| XCL210B141GR-G | XCL210A2B1GR-G | XCL210C331GR-G | XCL210C1B1GR-G | XCL210D3B1GR-G |
| XCL210B151GR-G | XCL210A2C1GR-G | XCL210C341GR-G | XCL210C1C1GR-G | XCL210D3C1GR-G |
| XCL210B161GR-G | XCL210A2D1GR-G | XCL210C351GR-G | XCL210C1D1GR-G | XCL210D3D1GR-G |
| XCL210B171GR-G | XCL210A2E1GR-G | XCL210C361GR-G | XCL210C1E1GR-G | XCL210D3E1GR-G |
| XCL210B181GR-G | XCL210A2F1GR-G | XCL210C371GR-G | XCL210C1F1GR-G | XCL210D3F1GR-G |
| XCL210B191GR-G | XCL210A2H1GR-G | XCL210C381GR-G | XCL210C1H1GR-G | XCL210D3H1GR-G |
| XCL210B201GR-G | XCL210A2K1GR-G | XCL210C391GR-G | XCL210C1K1GR-G | XCL210D3K1GR-G |
| XCL210B211GR-G | XCL210A2L1GR-G | XCL210C401GR-G | XCL210C1L1GR-G | XCL210D3L1GR-G |
| XCL210B221GR-G | XCL210A2M1GR-G | XCL210D101GR-G | XCL210C1M1GR-G | XCL210D3M1GR-G |
| XCL210B231GR-G | XCL210A3A1GR-G | XCL210D111GR-G | XCL210C2A1GR-G | |
| XCL210B241GR-G | XCL210A3B1GR-G | XCL210D121GR-G | XCL210C2B1GR-G | |
| XCL210B251GR-G | XCL210A3C1GR-G | XCL210D131GR-G | XCL210C2C1GR-G | |
| XCL210B261GR-G | XCL210A3D1GR-G | XCL210D141GR-G | XCL210C2D1GR-G | |
| XCL210B271GR-G | XCL210A3E1GR-G | XCL210D151GR-G | XCL210C2E1GR-G | |
| XCL210B281GR-G | XCL210A3F1GR-G | XCL210D161GR-G | XCL210C2F1GR-G |
Torex特瑞仕XCL系列PoL非隔離電源模塊可用Cyntec電源模塊進行替代,具體替代方案可咨詢立維創展。
推薦資訊
BRNSS、BRNS12 和 BRNS20 是 Cosel 生產的高性能 DC-DC 轉換器,分別提供 6A、12A 和 20A 的電流輸出。這些轉換器具有寬輸入電壓范圍(3.0V 至 14.4V 及 0.6V 至 5.5V),效率高達 87%,輸出電壓可調,紋波電壓和噪聲低(25mVp-p 和 50mVp-p),啟動時間僅 4.5ms。此外,它們具備過流保護、遠程感應和開關等保護功能,適應廣泛的工作和存儲溫度(-40°C 至 85°C 和 -40°C 至 100°C),并能耐受振動和沖擊
10 - F106R6A030SB - M434E08 是 Vincotech 出品的功率半導體模塊,用于逆變器等電力電子應用,具有封裝緊湊(12mm 低剖面外殼)、集成度高(集成 IGBT、整流橋和制動單元)、30A 額定輸出電流、600V 電壓等級、內置 NTC 便于溫度監測等特點。
在線留言