Glenair 7引腳濾波器插座CB07C1L1F,CB07C2L1F,CB07C3L1F,CB07C4L1F
發布時間:2024-11-01 10:48:10 瀏覽:1349
GlenairCB07C1L1F,CB07C2L1F,CB07C3L1F,CB07C4L1F屬于CB系列“PogoPin”連接器,是一種 7針濾波鎖緊螺母插座,用于后面板安裝,專為減小高頻電氣干擾而設計,符合歐洲標準的CB07連接器規范。

| 7 Pin Filter Receptacle | |||
| Polarizing Position (White) | Polarizing Position 2 (Yellow) | Polarizing Position 3 (Green) | Polarizing Position 4 (Pink) |
| CB07C1L1F | CB07C2L1F | CB07C3L1F | CB07C4L1F |
產品概述
材質:外殼為不銹鋼,表面鍍黑鉻。
插針材質:銅合金,表面鍍金,確保良好的導電性能和耐腐蝕性。
密封性:硅膠O形密封圈,防水等級為IP68,符合MIL-STD-810標準,支持1米水深浸泡。
使用壽命:能承受5000次插拔,適合惡劣環境使用。
產品規格
電容:在25°C、1 kHz條件下為3000 pF,耐壓1 Vrms。
耐壓(DWV):最高支持50 V DC。
最大電流:2.5安培。
絕緣電阻:至少5000兆歐,保證高絕緣性能。
結構與安裝
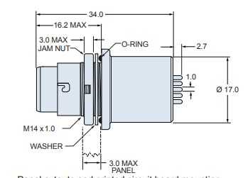
鎖緊螺母:不銹鋼材質,表面鍍黑鉻,用于固定在面板上,最大鎖緊厚度為3.0毫米。
安裝孔尺寸:M14 x 1.0螺紋安裝,適合常見面板厚度。
PCB焊接點模式:標注有安裝孔和焊接點的具體尺寸,確保匹配電路板安裝要求。
面板與電路板安裝
圖中顯示了該插座的PCB安裝孔的尺寸圖和位置標記,使得用戶可以精確安裝和連接。
其他特性
尺寸:外徑為20毫米,插孔直徑為17毫米。
O形圈位置:面板與插座接觸處有O形圈,確保防水密封效果。
插孔排列:圖中標明了各插孔的位置和角度,為插頭與插座的正確對接提供指導。
總體來說,該產品非常適合用于需要高可靠性、抗干擾能力強的電氣連接場合,尤其是在惡劣的環境中。

推薦資訊
?Hypertronics?射頻元器件ANx系列溫度補償衰減器為商業環境趨勢供應了高性價比的無源溫度賠償辦理計劃。Hypertronics射頻元器件ANx系列溫度補償衰減器的操縱頻率是DC-4GHz 或DC-6 GHz。這些產物以千件卷軸模式售賣,以滿足大批量應用之需。
Winchester TRU-15032是一款符合MIL-STD-348標準的直角型射頻同軸適配器,采用HN型公母接口設計,專為50Ω阻抗的高頻信號傳輸優化。其直角結構(重約90克)顯著節省空間,適用于軍工、航空航天等緊湊場景。
在線留言