Kulite XST-190(M)壓力傳感器
發布時間:2024-09-09 10:02:21 瀏覽:1355
Kulite XST-190(M) 系列壓力傳感器是一款專為高過壓環境設計的高性能傳感器。它具備防損壞設計,能夠在承受高過壓的同時保持其完整性。

主要特點:
高過壓能力:能夠在高過壓環境下工作,避免損壞。
防損壞設計:設計堅固,能夠承受極端條件。
易于安裝:提供多種螺紋選項,便于安裝。
高自然頻率:具有從150 KHz到550 KHz的高自然頻率,適用于高速動態測量。
硅對硅集成傳感器VIS?技術:采用先進的硅對硅集成技術,提供高精度和穩定性。
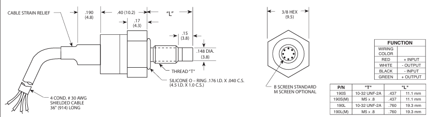
尺寸和連接:

參數信息:

感應原理
完全主動臂惠斯通橋:采用惠斯通橋電路,提供高精度和穩定性。
電介質隔離的硅對硅結構:提供高可靠性和長壽命。
備注
- 提供不同的壓力量程、精度和機械配置選項。
- 連續開發和改進,保留規格變更權利。
Kulite XST-190(M) 壓力傳感器廣泛應用于需要高度可靠性和精準度的工業環境中,如航空航天、汽車測試、液壓系統等領域。其高過壓能力和防損壞設計使其成為極端條件下的理想選擇。
Kulite是一家成立于1959年的美國傳感器技術公司,專注于為航空航天、石油化工、汽車制造和軍事裝備等行業提供高質量的傳感器解決方案。其產品線包括壓力、加速度、溫度和流量傳感器,設計用于極端環境,確保高精度和可靠性。深圳市立維創展科技有限公司是Kulite產品的授權代理商,提供咨詢和銷售服務。
推薦資訊
XCP-110B微型壓力傳感器是Kulite品牌的一款高性能產品,專為渦輪發動機探頭和風洞試驗設計,擁有50年的成功應用歷史。它采用專利的硅對硅一體化傳感器VIS?技術,適用于各種探頭和壓力導管,能在各種環境下穩定測量動態和靜態壓力。該傳感器具有廣泛的壓力范圍選擇、良好的環境適應性和精確的性能指標,支持定制化配置,是航空航天和工業測試領域的理想選擇。
當今武裝隊列當代化的重要挑戰之一是適應數字疆場。這意味著掌握全部疆場的諜報、消息和通訊。所以,Safran?開發了一個解決士兵當代化計劃要求的系統,稱為 FELIN(Fantasin à Equipements et Liaisons INtégrés),這是一套最早進的裝備集成套件,可滿足所有操縱要求:護衛、靈活性、武器應用、自立、調查、通訊、指揮。
在線留言