Ampleon小型蜂窩射頻電源解決方案B10G4750N12DL
發布時間:2023-12-08 08:53:43 瀏覽:2493
Ampleon是一家專注于射頻功率放大器和射頻電源解決方案的公司,提供各種規格和類型的蜂窩射頻電源解決方案,用于移動通信網絡中的基站和無線通信設備。Ampleon的小型蜂窩射頻電源解決方案針對不同的應用需求提供了高效、可靠的解決方案。這些解決方案通過提供穩定可靠的功率放大器和電源模塊,幫助用戶實現高質量、高性能的無線通信。
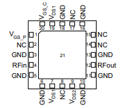
3級完全輸入和輸出匹配的集成LDMOS Doherty PA,采用7 x 7 mm LGA封裝
在小基站中作為最后級實現高增益和高效率,在驅動器模式下具有高線性度
緊湊、低成本的解決方案,具有出色的熱性能
專為采用超 VBW 的寬信號帶寬應用 (300 MHz) 而設計

B10G4750N12DL
3級完全輸入和輸出匹配的集成LDMOS Doherty PA,采用7 x 7 mm LGA封裝
小基站中的高增益和高效率作為最終級
緊湊、低成本的解決方案,具有出色的熱性能
專為寬帶操作而設計

推薦資訊
DATEL的FB系列是一款高性能的全磚式DC-DC轉換器,具有高達600W的輸出功率和92%的效率,提供1500V的直流隔離,適用于-40°C至+100°C的寬溫度范圍。其主要功能包括遠程開關、遠程感應、輸出電壓調整及多種保護機制(如過壓、過流和過溫保護)。采用工業標準全磚式封裝,具備高效率、完全隔離、過流保護和反相操作監控等特性,廣泛應用于分布式電源架構、電信、數據和無線通信、服務器以及軍事和工業領域。
MICRON?最近宣布,我們正在發貨使用全球最先進的DRAM工藝制造的存儲芯片。這個過程被神秘地稱為“1α”(1-alpha)。這是什么意思,有多神奇?
在線留言
主站蜘蛛池模板: | | | | | | | | | | | | | | | | | | | | | | | | | | | | | | | | | | | | | | | |